
SE-A125

SE-A125
SE-A125
5"|125毫米|20Watts
280M³H| 166CFM1363Pa
主要特点:
SE-A125混流式直列式风机是一种专利产品,真正的紧凑型设备占地面积最小,应用范围非常广泛。
风扇采用铝制外壳和喷气发动机设计的双叶轮制成,并配备了尖端的无刷EC电机。
凭借其业内最新的设计,它可以在更低的功耗下工作,并提供更大的风量和静态气压。
Blade Fire Proofing Grade UL94V-0
可拆卸0%-100%速度控制(电位器)包含/隐藏开关(可选)
带霍尔IC的4极无刷电机
双重型NMB球轴承
锁定电机保护[自动重启]:软启动电机
定制功能; PWM /控制0-10v / Volitage输出/转速计输出
最大,IP68防水等级可用
支持115v和230v
风扇规格
|
风扇尺寸 |
5 inch|125mm |
|
额定电压 |
110V-240V AC |
|
最大功率C |
20W |
| 频率 |
50Hz|60Hz |
|
最大速度 |
5000RPM |
|
最大气流 |
166CFM|280M³H |
|
静压 |
37mmH²0|363Pa |
|
噪音等级 |
54.4dBA |
|
外壳材料 |
铝 |
|
叶轮设计 |
混流 |
|
电机类型 |
EC电机 |
|
净重 |
1.1kgs |
|
防护等级 |
IPX4 |
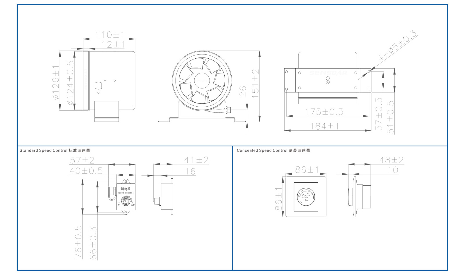
尺寸(mm)

你在找什么?